Power Supply merupakan rangkaian penyearah yang dapat mengubah tegangan AC (Alternating Current) menjadi tegangan DC (Direct Current). Pada dasarnya rangkaian power supply ini sering disebutkan sebagai pengganti battrei atau adaptor. Berikut ini saya akan memberi macam-macam contoh rangkaian power supply sederhana :
1. Power Supply dengan 4 Dioda, 4 Kapasitor sebagai tapis perata dan menggunakan Trafo CT (Center Tag)
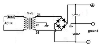
2. Power Supply dengan 4 Dioda, 2 Kapasitor sebagai tapis perata dan menggunakan Trafo CT (Center Tag)
3. Power Supply dengan 4 Dioda, 2 Kapasitor sebagai tapis perata dan menggunakan Trafo CT (Center Tag)
